松下貼片機馬達電機
產品說明

| CM402馬達 | |||
| 1. |
KXF0CWLAA00 |
CM402 Y軸馬達 |
HC-RFS103-S1 |
| 2. |
N510005279AA/KXF0CWNAA00 |
CM402 X軸馬達 |
HC-MFS43-S24(400W,AC 122V 2.8A MITSUBISHI) |
| 3. |
N510042738AA/KXF0CWQAA00/N510030834AB |
CM402 Z軸馬達(標準型) |
P50B02002BXS2C (20W) |
| 4. |
N510042737AA/N510030833AB / N510030833AA /N510002508AA |
CM402 Z軸馬達(輕量化 |
P50B02001BXS7C(15W ) |
| 5. |
N510048142AA/N510006106AA(9.6W)/KXF0DG9AA00 |
CM402&CM602飛達進料馬達 |
|
| 6. |
N510043555AA/N510043589AA/N610007300AA/N510046420AA |
CM402&CM602飛達卷料馬達 |
|
| 7. |
N510048981AA/ KXF0DWW9A00/ KXF0CWVAA00(10W) |
CM402軌道馬達 |
|
| 8. |
KXF0DHSAA00 |
CM402轉角度馬達(標準型) |
TS4502N2227E500 |
| 9. |
KXF0E1LXA00 |
CM402轉角度馬達(輕量化) |
TS4602N1520E500 |
| 10. |
N510022126AA |
CM402&CM602自動托盤TL馬達 |
HF-MP23B-S25(INPUT 200W 3AC 113V 1.4A) |
|
CM602馬達 |
|||
| 1. |
N510056943AA/N510027476AA/N510044462AA |
CM602 Z軸馬達 |
RMTA-A001A12-MA13 |
| 2. |
N510008188AA |
CM602轉角度馬達 |
TS4602N1521E500 |
|
DT401馬達 |
|||
| 1. |
KXF0DGFAA00/N510035942AA/N510042739AA |
DT401 Z軸馬達 |
P50BA2003BCS4C |
| 2. |
KXF0DGEAA00/N510042740AA |
DT401轉角度馬達 |
P50BA2002BXS3C(3W) |
|
NPM馬達 |
|||
| 1. |
N510043456AA |
NPM多功能頭Z軸馬達 |
P50BA2003BCS4D |
規格參數
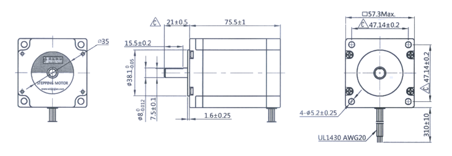
外形尺寸
|
型號 |
軸徑 (mm) |
軸伸 (mm) |
軸長 (mm) |
|
QL57HD76-0384A |
8 |
平臺0.5x19.5 |
20.6 |
技術參數
|
型號 |
保持轉距(NM) |
相電流(A) |
電阻(Ω) |
電感(MH) |
轉動慣量(g.cm2) |
長度(MM) |
重量(Kg) |
線數 |
適配驅動器 |
|
QL57HD76-0384A |
2.0 |
4.0 |
0.6 |
2.8 |
480 |
76 |
1.06 |
4 |
DH542/DH556 |




N510046420AA 松下電機
N510043555AA 松下電機
PANASONIC NPM-D3貼片機
PANASONIC NPM-DX貼片機
Panasonic RG131-S插件機
PANASONIC NPM-TT2貼片機
Panasonic SMT CM602-L
PANASONIC NPM-W2貼片機
Panasonic RL131高密度徑向元件插件機